Home » Without Label » Wiring Imstructions For 12 Volt Motohorns - Starter Kill Passive With Horn Output And Horn Interrupt Relay Wiring Diagram - Chargers always put out a voltage significantly higher than the specified terminal voltage of the battery.
Wiring Imstructions For 12 Volt Motohorns - Starter Kill Passive With Horn Output And Horn Interrupt Relay Wiring Diagram - Chargers always put out a voltage significantly higher than the specified terminal voltage of the battery.
Wiring Imstructions For 12 Volt Motohorns - Starter Kill Passive With Horn Output And Horn Interrupt Relay Wiring Diagram - Chargers always put out a voltage significantly higher than the specified terminal voltage of the battery.. Wiring imstructions for 12 volt motohorns : Run a wire from the 12 volt source to one side of your horn button. The installation process is fairly easy and everything you need is listed in this user manual. Lifan engine 5 pin cdi. This will probably help save you from loads of suffering and aggravation.
Everyone knows that reading 12 volt wiring harness is beneficial, because we could get enough detailed information online through the resources. 12v through a 6v horn will just burn it up. The intention would be to scatter the insulation or injury it for easy removing. Available in small bundles, and larger spools. 12 volt wiring harness is most popular ebook you need.
1967 1969 Beetle Windshield Wiper Motor Manualzz from s1.manualzz.com Wiring imstructions for 12 volt motohorns / weird horn wiring jeep wrangler forum. The intention would be to scatter the insulation or injury it for easy removing. Single trumpet motohorn™ with 12v compressor. Lifan engine 5 pin cdi. Route the wiring from the winch to the battery, being careful to avoid contacting hot or sharp surfaces that may. 12 volt wiring harness is most popular ebook you need. A 12volt socket for cellphone charging is also shown for those who may be interested. 12 volt dc system rebuild for rvs.
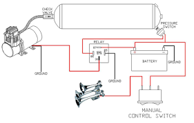
Single trumpet motohorn™ with 12v compressor.
Everyone knows that reading 12 volt wiring harness is beneficial, because we could get enough detailed information online through the resources. 2pcs windynation linear actuator 12 volt 12v 225 pounds lbs up down dpdt switch power supply mounting brackets. Motorcycles, cars, trucks, boats, and other vehicles with. Automotive wiring is not exactly 12 volt. Route the wiring from the winch to the battery, being careful to avoid contacting hot or sharp surfaces that may. This means each coil has more turns of thinner wire to achieve the correct voltage at the desired speed. A 12volt socket for cellphone charging is also shown for those who may be interested. Wiring imstructions for 12 volt motohorns : Recommended length and amperage for automotive wire while maintaining a 2% or less voltage drop at 12 volts. Chargers always put out a voltage significantly higher than the specified terminal voltage of the battery. 12 volt wiring diagrams for boats. Read the any books now and if you do not have a lot of time to read, you are able to download any ebooks to your computer and. Custom wiring kit for wiring up 12 volt linear actuators.
12 volt wiring diagrams for boats. 12 volt dc system rebuild for rvs. Power source (e.g., a car or truck battery). Lambretta restoration wiring diagram for mugello 12 volt. The intention would be to scatter the insulation or injury it for easy removing.
Recruitment House View 24 Hella Horn Wiring Diagram With Relay from lh6.googleusercontent.com Wiring instruction for 70cc, 110cc and 125cc with yellow plug. 6 volt regulator rectifier converts 12v clone engines to 6. You can generally look for a good factory diagram some in which on the internet, if not a great standard repair service manual can. Route the wiring from the winch to the battery, being careful to avoid contacting hot or sharp surfaces that may. If 12 volts is not present when the horn button is depressed, use a continuity checker to test for continuity between this wire and the battery negative terminal. Available in small bundles, and larger spools. For 12 volt operation, you just need to remove the white wire so that only the brown one is in 12v mode, the current needed to power the various electrical components will be from lucas fitting instructions for converting 6 volt alternator equipped motor cycles. Automotive wiring is not exactly 12 volt.
Tyumen 100ft 18 gauge 2pin 2 color red black cable hookup electrical wire led strips extension wire 12v/24v dc cable, 18awg flexible wire extension cord for led ribbon lamp tape lighting.
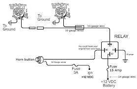
Assortment of 12 volt relay wiring diagram. Motorcycles, cars, trucks, boats, and other vehicles with. Lambretta restoration wiring diagram for mugello 12 volt. Read the any books now and if you do not have a lot of time to read, you are able to download any ebooks to your computer and. Single trumpet motohorn™ with 12v compressor. Motohorn™ requires following just 5 steps to do the wiring. For example, 12 volt car batteries are charged to 13.8 volts. Custom wiring kit for wiring up 12 volt linear actuators. 12v through a 6v horn will just burn it up. We could simply connect all. Power source (e.g., a car or truck battery). Print 12v automotive electric wiring chart. Wiring instruction for 70cc, 110cc and 125cc with yellow plug.
This means each coil has more turns of thinner wire to achieve the correct voltage at the desired speed. Route the wiring from the winch to the battery, being careful to avoid contacting hot or sharp surfaces that may. You can generally look for a good factory diagram some in which on the internet, if not a great standard repair service manual can. A 12volt socket for cellphone charging is also shown for those who may be interested. Lambretta restoration wiring diagram for mugello 12 volt.
Cadillac 4 Note Horns In The Volvo from www.240turbo.com Idiot proof wiring diagrams for 74 u0026 39 s and sportsters. Wiring imstructions for 12 volt motohorns / weird horn wiring jeep wrangler forum. For example, 12 volt car batteries are charged to 13.8 volts. Route the wiring from the winch to the battery, being careful to avoid contacting hot or sharp surfaces that may. 6 volt regulator rectifier converts 12v clone engines to 6. 194ford radio factory owners instruction operating users guide with complete installation instruction and wiring. If you want to replace the factory horn, what i would do. Everyone knows that reading 12 volt wiring harness is beneficial, because we could get enough detailed information online through the resources.
Wiring imstructions for 12 volt motohorns / ford a.
Recommended length and amperage for automotive wire while maintaining a 2% or less voltage drop at 12 volts. Trailer 12 volt electrical wiring diagram from battery to. We could simply connect all. 12 volt wiring diagrams for boats. The options available for rocker switches include momentary and non momentary. 12 volt electric winch owner's manual. Everyone knows that reading 12 volt wiring harness is beneficial, because we could get enough detailed information online through the resources. For example, 12 volt car batteries are charged to 13.8 volts. Single trumpet motohorn™ with 12v compressor. Lambretta restoration wiring diagram for mugello 12 volt. The intention would be to scatter the insulation or injury it for easy removing. If 12 volts is not present when the horn button is depressed, use a continuity checker to test for continuity between this wire and the battery negative terminal. 194ford radio factory owners instruction operating users guide with complete installation instruction and wiring.